您好,欢迎访问苏州狼道电子有限公司网站!

—— 新闻中心 ——

NEWS CENTER

—— 推荐产品 ——

RECOMMOND

24小时咨询热线
13348030878

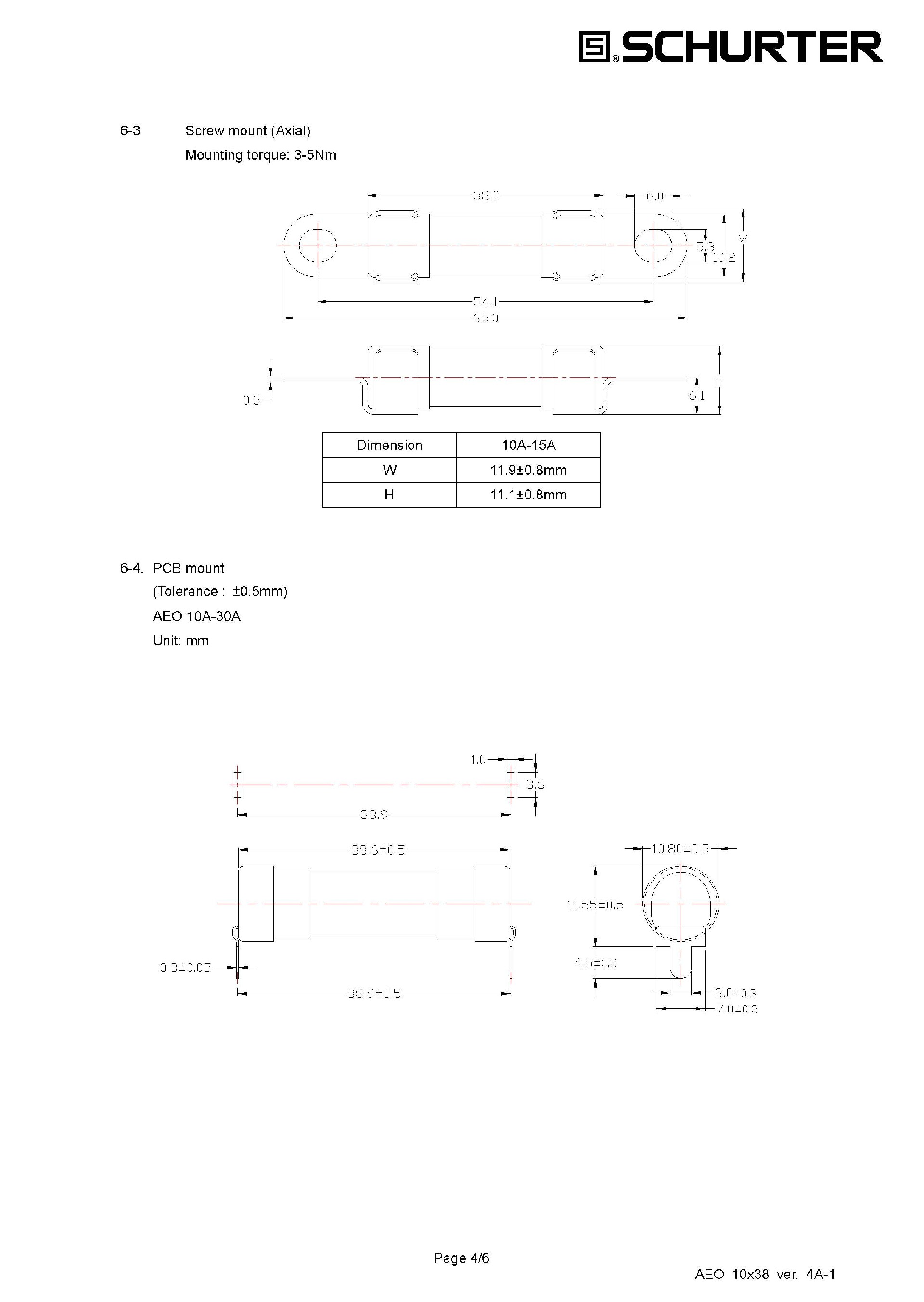
SchurterEV电动汽车保险丝AEO10X38

发布时间:2023-06-23人气:1337

Schurter EV 电动汽车保险丝 AEO 10X38 


  该系列过流保护保险丝专为电动汽车(EV),混合动力汽车(HEV),车载充电(OBC),电池组系统,高额定电压高达1000VDC的大功率电池充电系统而设计。

安培额定值从10A到15A。所有的熔断器都具有高的分断能力和不同的安装方式。这些保险丝是无铅设计,完全符合RoHS指令。本系列保险丝是在符合IATF 16949的质量管理体系下生产的。


标签:
在线客服
服务热线

服务热线

0512-55172878

微信咨询
苏州狼道电子有限公司
返回顶部